讓客戶的生產線每個環節,銜接的恰到好處!
以客戶的需求為中心,滿足客戶要求,超越客戶的期望。

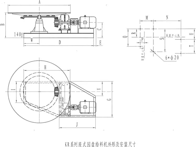
河南立友給料機廠家是一家以均勻給料設備研發生產為主要營業范圍的廠家,可為粉末、冶金、化工、醫藥、礦山、建材、玻璃、食品、涂料、陶瓷、煤炭、石英砂等求購斗式提升機的廠家根據物料屬性提供振動給料機、電磁給料機、往復式給料機、圓盤給料機的行業解決方案,其中包括結構圖紙繪畫、價格計算、廠家真機圖片展示,及到廠實地考察接待,我廠熱忱歡迎每一位領導前來考察,預約電話:13782587121。
2023-06
振動給料機在安裝時應注意的細節(振動給料機安裝標準) 振動給料機中用于...
2023-06
振動篩給料機配合使用能讓篩分效果提高10%左右(振動給料機選型) 振動篩...
2023-06
葉輪給料機-轉輪定量給料閥門-廠家直銷(葉輪給粉機結構圖) 有朋友問葉輪...
2023-06
葉輪給料機頻發性故障及分析(剛性葉輪給料機) 1、動力電源易缺相、斷相...
均勻喂料給料專家-新鄉市泓博緣機械有限公司